
SMOOTH 36PM DLA
PM-Linearaktuator Ø 36 mm
kompakte Baugröße - captive - non-captive - ext. Mutter
mit Kugellager - verschiedene Bauformen
Auflösung 0.0254 - 0.508 - 0.1016 - 0.2032 mm / Schritt
36PM Linearaktuator - flexibel - hohe Linearkraft - viele Bauformen
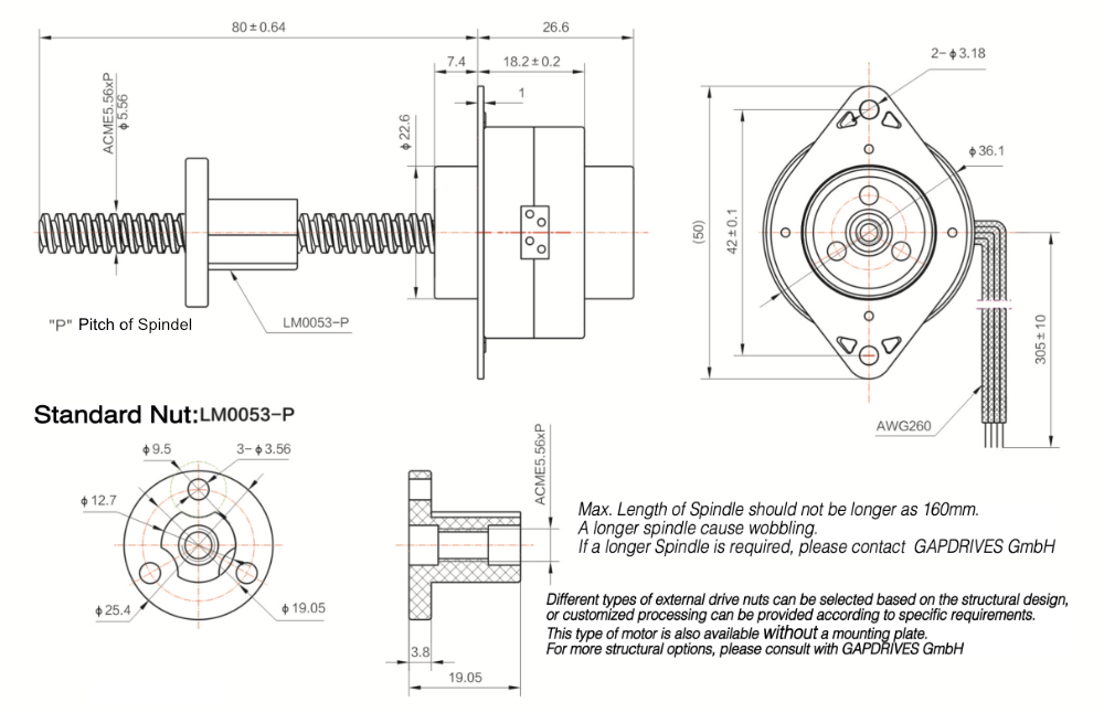
Bauform
Bauform
elektrische Daten
PM-Schrittmotor 7.5° Bipolar
14.6 / 52 Ohm bipolare Wicklung
160 / 340 mA Phasenstrom
unipolare Wicklung auf Anfrage
elektrische Daten
PM-Schrittmotor 7.5° Bipolar
14.6 / 52 Ohm bipolare Wicklung
160 / 340 mA Phasenstrom
unipolare Wicklung auf Anfrage
mechanische Daten
Auflösung 0.0254 - 0.2032 / Schritt
Hub captive 15 / 25 / 38 mm
max. Linearforce 85 N
mechanische Daten
Auflösung 0.0254 - 0.2032 / Schritt
Hub captive 15 / 25 / 38 mm
max. Linearforce 85 N
Optionen
Sonderwelle auf Anfrage
Kabelkonfektionierung
lieferbar ohne FrontplatteOptionen
Sonderwelle auf Anfrage
Kabelkonfektionierung
lieferbar ohne FrontplatteDatenblatt 36PM Smooth
STEP-Fille senden wir gerne auf Anfarge zu

Download Gesamtkatalog
SMOOTH Katalog
Motor-Type Spindel max 160mm | Motor Typ captive 15mm Hub | Motor Typ captive 25mm Hub | Motor Typ captive 38mm Hub | Motor-Typ non-captive | Volt (V) | Strom (mA) | Pitch Spindel (mm) | Auflösung/Step (mm) | Linear Kraft @100pps (N) | Ohm (Ω) |
---|---|---|---|---|---|---|---|---|---|---|
36PM101Y-80N | 36PM101Y-D15 | 36PM101Y-D25 | 36PM101Y-D38 | 36PM101Y-T1 | 5 | 340 | 1,2192 | 0,0254 | 85 | 14.6 |
36PM102Y-80N | 36PM102Y-D15 | 36PM102Y-D25 | 36PM102Y-D38 | 36PM102Y-T1 | 5 | 340 | 2,4384 | 0,0508 | 56 | 14.6 |
36PM103Y-80N | 36PM103Y-D15 | 36PM103Y-D25 | 36PM103Y-D38 | 36PM103Y-T1 | 5 | 340 | 4,8768 | 0,1016 | 35 | 14.6 |
36PM104Y-80N | 36PM104Y-D15 | 36PM104Y-D25 | 36PM104Y-D38 | 36PM104Y-T1 | 5 | 340 | 9,7536 | 0,2032 | 16 | 14.6 |
36PM111Y-80N | 36PM111Y-D15 | 36PM111Y-D25 | 36PM111Y-D38 | 36PM111Y-T1 | 12 | 160 | 1,2192 | 0,0254 | 80 | 52 |
36PM112Y-80N | 36PM112Y-D15 | 36PM112Y-D25 | 36PM112Y-D38 | 36PM112Y-T1 | 12 | 160 | 2,4384 | 0,0508 | 52 | 115 |
36PM113Y-80N | 36PM113Y-D15 | 36PM113Y-D25 | 36PM113Y-D38 | 36PM113Y-T1 | 12 | 160 | 4,8768 | 0,1016 | 33 | 115 |
36PM114Y-80N | 36PM114Y-D15 | 36PM114Y-D25 | 36PM114Y-D38 | 36PM114Y-T1 | 12 | 160 | 9,7536 | 0,2032 | 14 | 115 |
✅ Frage: Was ist die richtige Bezeichnung für den Antrieb und wofür steht DLA?
✅ Antwort: Die korrekte Bezeichnung lautet DLA – Digitaler Linearaktuator. Häufig wird fälschlicherweise von einem „Linearmotor“ gesprochen. Dieser Begriff ist jedoch technisch nicht korrekt: Ein klassischer Linearmotor erzeugt eine direkte lineare Bewegung durch elektromagnetische Felder – vergleichbar mit einem entfalteten Drehstrommotor, bei dem ein Läufer entlang eines Magnetfeldes verläuft.
Beim DLA hingegen wird die rotatorische Bewegung eines Schrittmotors über eine Spindelmechanik in eine lineare Bewegung umgesetzt. Es handelt sich also nicht um eine direkte lineare Kraftentwicklung durch Magnetfelder, sondern um eine präzise Umwandlung von Drehbewegung in Vorschub.
Das „digitale“ im Namen erklärt sich dadurch, dass der Vorschub der Spindel schrittweise erfolgt: Mit jedem einzelnen Schritt des Motors wird die Spindel um einen definierten Betrag bewegt. Diese quantisierte Bewegung erlaubt es, die lineare Positionierung sehr einfach digital über Steuerimpulse (0/1-Signale) anzusprechen und mit hoher Genauigkeit zu wiederholen.
✅ Antwort: Die korrekte Bezeichnung lautet DLA – Digitaler Linearaktuator. Häufig wird fälschlicherweise von einem „Linearmotor“ gesprochen. Dieser Begriff ist jedoch technisch nicht korrekt: Ein klassischer Linearmotor erzeugt eine direkte lineare Bewegung durch elektromagnetische Felder – vergleichbar mit einem entfalteten Drehstrommotor, bei dem ein Läufer entlang eines Magnetfeldes verläuft.
Beim DLA hingegen wird die rotatorische Bewegung eines Schrittmotors über eine Spindelmechanik in eine lineare Bewegung umgesetzt. Es handelt sich also nicht um eine direkte lineare Kraftentwicklung durch Magnetfelder, sondern um eine präzise Umwandlung von Drehbewegung in Vorschub.
Das „digitale“ im Namen erklärt sich dadurch, dass der Vorschub der Spindel schrittweise erfolgt: Mit jedem einzelnen Schritt des Motors wird die Spindel um einen definierten Betrag bewegt. Diese quantisierte Bewegung erlaubt es, die lineare Positionierung sehr einfach digital über Steuerimpulse (0/1-Signale) anzusprechen und mit hoher Genauigkeit zu wiederholen.

