MicroMotors SM149 - SM155 Serie
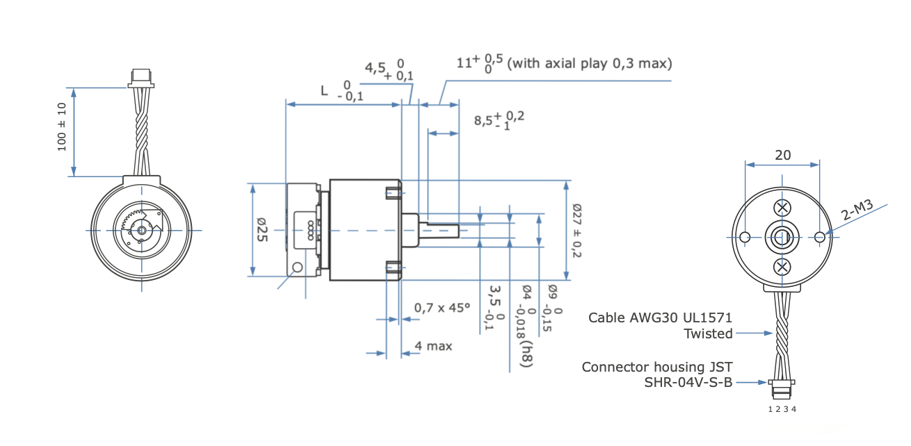
Serie SM149 MicroMotors
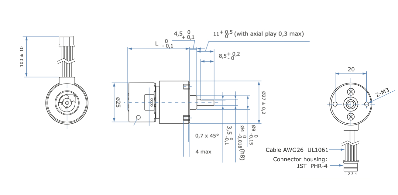
Serie SM155 MicroMotors
PM-Stepper mit Stirnradgetriebe Ø 27 mm
SM155 mit höherem Moment
mittiger Wellenabgang
robustes Getriebe
flache Bauform
Ø27mm PM Getriebe Schrittmotor - preisgünstig - viele Untersetzungen
mechanische Daten
Ø 27 mm Länge 26 - 36 mm
max.Dauerdrehmoment 20 Ncm
Drehzahlen bis zu 150 rpm
Radiallast 10 N - Axiallast 5 N
mechanische Daten
Ø 27 mm Länge 26 - 36 mm
max.Dauerdrehmoment 20 Ncm
Drehzahlen bis zu 150 rpm
Radiallast 10 N - Axiallast 5 N
elektrische Daten
PM-Schrittmotor 7.5° Bipolar
Dauerstrom SM149 - 150 mA / SM155 - 250 mA
Kurzzeitig SM149 - 400 mA / SM155 - 500 mA
Geeignet für alle gängigen Treiber
elektrische Daten
PM-Schrittmotor 7.5° Bipolar
Dauerstrom SM149 - 150 mA / SM155 - 250 mA
Kurzzeitig SM149 - 400 mA / SM155 - 500 mA
Geeignet für alle gängigen Treiber
Optionen
Sonderwelle auf Anfrage
Kabelkonfektion
Montage von Anbauteilen
Optionen
Sonderwelle auf Anfrage
Kabelkonfektion
Montage von Anbauteilen

SM155Schrittmotor mit 155-Getriebe
Hohes Drehmoment – Leise – Kompakt
Der SM155 Getriebeschrittmotor bietet präzise Bewegung, hohe Zuverlässigkeit und vielseitige Einsatzmöglichkeiten.
Highlights
Schrittwinkel: 7,5° (Vollschritt)
Nennspannung: 12 V, Treiberbereich 3,75–36 V
Hoher Drehmomentbereich: bis 400 mNm
Kompakte Länge: ab 43 mm
Geräuscharm & langlebig
Ideal für Automatisierung, Medizintechnik, Präzisionsmechanik & Pumpenantrieb
Datenblatt SM149 und SM155 MicroMotors
MicroMotors SM155-SM149
STEP-Fille senden wir gerne auf Anfarge zu
Please select a Dropfiles content to activate the previewZertifikate
MicroMotors RoHS-Reach-ISO
| Type ohne Encoder | Untersetzung 1: | Länge mm | Haltemoment | Max. Drehzahl rpm | Schrittwinkel / Schritt ° |
|---|---|---|---|---|---|
| SM149-25T-10 | 10 | 26 | 220 | 150 | 0.75 |
| SM149-25T-21 | 20.8 | 26 | 400 | 72 | 0.36 |
| SM149-25T-43 | 43.3 | 31 | 400 | 35 | 0.173 |
| SM149-25T-90 | 90.3 | 31 | 400 | 17 | 0.083 |
| SM149-25T-188 | 188 | 36 | 400 | 8 | 0.04 |
| SM149-25T-392 | 391.8 | 36 | 400 | 4 | 0.19 |
| SM155-25L-10 | 10 | 43,3 | 400 | 150 | 0.75 |
| SM155-25L-21 | 20.8 | 39.5 | 400 | 72 | 0.36 |
| SM155-25L-43 | 43.3 | 44.5 | 400 | 35 | 0.173 |
| SM155-25L-90 | 90.3 | 44.5 | 400 | 17 | 0.083 |
✅ Frage: Was sind typische Anwendungen für den Motor?
✅ Antwort: Durch das robuste und groß dimensionierte Gleitlager am Wellenausgang kann der Motor hohe lineare, axiale sowie radiale Kräfte aufnehmen. Der Schrittmotor überzeugt durch einen besonders ruhigen Lauf und ein breites nutzbares Drehzahlband. Damit eignet er sich ideal für Anwendungen wie GOBO Wheel, Peristaltikpumpen, das Verriegeln von Hauben oder das automatische Schließen von Geräteabdeckungen. Der Antrieb ist äußerst kompakt und bietet ein Dauerdrehmoment von bis zu einem Newtonmeter. Der Motor ist nahezu verschleißfrei, da sowohl Getriebe als auch Motor auf Lebensdauer geschmiert sind und keine Bürsten oder andere verschleißanfällige Komponenten enthalten.
✅ Antwort: Durch das robuste und groß dimensionierte Gleitlager am Wellenausgang kann der Motor hohe lineare, axiale sowie radiale Kräfte aufnehmen. Der Schrittmotor überzeugt durch einen besonders ruhigen Lauf und ein breites nutzbares Drehzahlband. Damit eignet er sich ideal für Anwendungen wie GOBO Wheel, Peristaltikpumpen, das Verriegeln von Hauben oder das automatische Schließen von Geräteabdeckungen. Der Antrieb ist äußerst kompakt und bietet ein Dauerdrehmoment von bis zu einem Newtonmeter. Der Motor ist nahezu verschleißfrei, da sowohl Getriebe als auch Motor auf Lebensdauer geschmiert sind und keine Bürsten oder andere verschleißanfällige Komponenten enthalten.




