MicroMotors SM138 - Serie
MicroMotors Ø34 mm PM-Stepper Getriebemotor
SM138-Serie MicroMotors
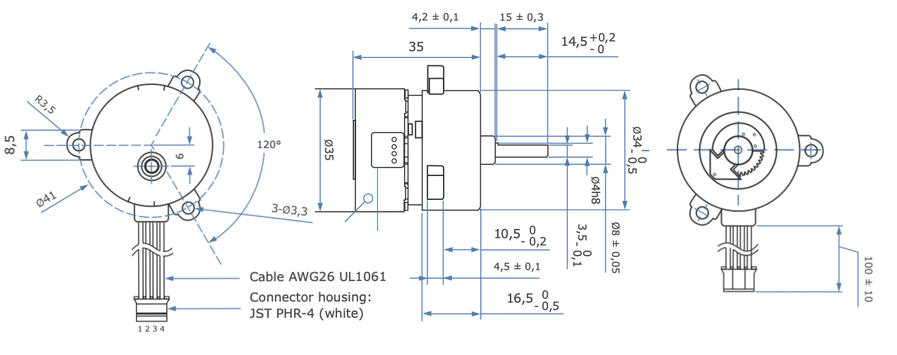
Schrittmotor mit Stirnradgetriebe Ø 34 mm
versetzter Wellenabgang
leise / laufruhig
flache Bauform nur 35mm lang
sehr hohe Untersetzung bis 1470 : 1
Ø34mm PM Getriebe Schrittmotor - kompakt - hohe Laufruhe
mechanische Daten
Ø 34 mm Länge 35 mm
max.Dauerdrehmoment 50 Ncm
Drehzahlen bis zu 122 rpm
Radiallast 20 N - Axiallast 5 N
mechanische Daten
Ø 34 mm Länge 35 mm
max.Dauerdrehmoment 50 Ncm
Drehzahlen bis zu 122 rpm
Radiallast 20 N - Axiallast 5 N
elektrische Daten
PM-Schrittmotor 7.5° Bipolar
Dauerstrom 250 mA
Kurzzeitig 500 mA
Geeignet für alle gängigen Treiber
elektrische Daten
PM-Schrittmotor 7.5° Bipolar
Dauerstrom 250 mA
Kurzzeitig 500 mA
Geeignet für alle gängigen Treiber
Optionen
Sonderwelle auf Anfrage
Kabelkonfektion
Montage von Anbauteilen
Optionen
Sonderwelle auf Anfrage
Kabelkonfektion
Montage von Anbauteilen

SM155Schrittmotor mit 155-Getriebe
Hohes Drehmoment – Leise – Kompakt
Der SM155 Getriebeschrittmotor bietet präzise Bewegung, hohe Zuverlässigkeit und vielseitige Einsatzmöglichkeiten.
Highlights
Schrittwinkel: 7,5° (Vollschritt)
Nennspannung: 12 V, Treiberbereich 3,75–36 V
Hoher Drehmomentbereich: bis 400 mNm
Kompakte Länge: ab 43 mm
Geräuscharm & langlebig
Ideal für Automatisierung, Medizintechnik, Präzisionsmechanik & Pumpenantrieb
Datenblatt SM138 MicroMotors
MicroMotors SM138 CAD STEP-File
Zertifikate
MicroMotors RoHS-Reach-ISO
| Type ohne Encoder | Untersetzung 1: | Länge mm | Haltemoment | Max. Drehzahl rpm |
|---|---|---|---|---|
| SM138-35S-12 | 12,25 | 35 | 600 | 122 |
| SM138-35S-21 | 21,14 | 35 | 800 | 71 |
| SM138-35S-36 | 35,73 | 35 | 800 | 42 |
| SM138-35S-72 | 71,54 | 35 | 800 | 21 |
| SM138-35S-149 | 149,05 | 35 | 800 | 10 |
| SM138-35S-208 | 208,66 | 35 | 800 | 7 |
| SM138-35S-608 | 608,61 | 35 | 800 | 2,5 |
| SM138-35S-1470 | 1470,82 | 35 | 800 | 1 |
✅ Frage: Was sind typische Anwendungen für den Motor?
✅ Antwort: Durch das robuste und groß dimensionierte Gleitlager am Wellenausgang kann der Motor hohe lineare, axiale sowie radiale Kräfte aufnehmen. Der Schrittmotor überzeugt durch einen besonders ruhigen Lauf und ein breites nutzbares Drehzahlband. Damit eignet er sich ideal für Anwendungen wie GOBO Wheel, Peristaltikpumpen, das Verriegeln von Hauben oder das automatische Schließen von Geräteabdeckungen. Der Antrieb ist äußerst kompakt und bietet ein Dauerdrehmoment von bis zu einem Newtonmeter. Der Motor ist nahezu verschleißfrei, da sowohl Getriebe als auch Motor auf Lebensdauer geschmiert sind und keine Bürsten oder andere verschleißanfällige Komponenten enthalten.
✅ Antwort: Durch das robuste und groß dimensionierte Gleitlager am Wellenausgang kann der Motor hohe lineare, axiale sowie radiale Kräfte aufnehmen. Der Schrittmotor überzeugt durch einen besonders ruhigen Lauf und ein breites nutzbares Drehzahlband. Damit eignet er sich ideal für Anwendungen wie GOBO Wheel, Peristaltikpumpen, das Verriegeln von Hauben oder das automatische Schließen von Geräteabdeckungen. Der Antrieb ist äußerst kompakt und bietet ein Dauerdrehmoment von bis zu einem Newtonmeter. Der Motor ist nahezu verschleißfrei, da sowohl Getriebe als auch Motor auf Lebensdauer geschmiert sind und keine Bürsten oder andere verschleißanfällige Komponenten enthalten.



