
SMOOTH 42PM DLA
PM-Linearaktuator Ø 42 mm
captive - non-captive - ext. Mutter
mit Kugellager bis zu 136 N Linear Kraft
Auflösung 0.0132 - 0.1016 mm / Schritt
42PM Linearaktuator - sehr hohe Linearkraft - viele Bauformen
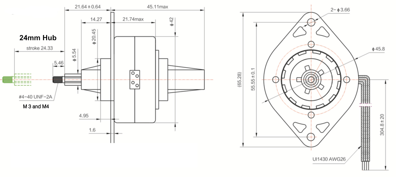
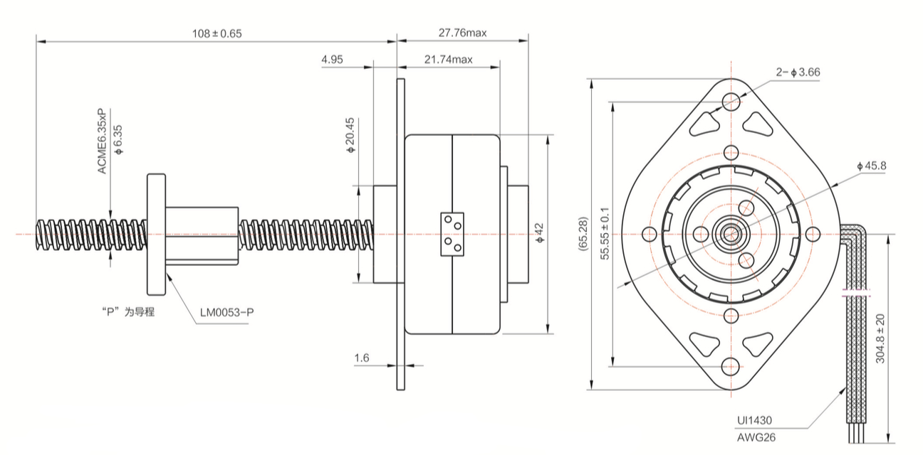
Bauform
Bauform
elektrische Daten
PM-Schrittmotor 7.5° Bipolar
5 / 28.8 Ohm bipolare Wicklung
0.42 / 1 A Phasenstrom
unipolare Wicklung auf Anfrage
elektrische Daten
PM-Schrittmotor 7.5° Bipolar
5 / 28.8 Ohm bipolare Wicklung
0.42 / 1 A Phasenstrom
unipolare Wicklung auf Anfrage
mechanische Daten
Auflösung 0.0132 - 0.1016 / Schritt
Hub captive 24 mm
max. Linearforce 136 N
mechanische Daten
Auflösung 0.0132 - 0.1016 / Schritt
Hub captive 24 mm
max. Linearforce 136 N
Optionen
Sonderwelle auf Anfrage
Kabelkonfektionierung
lieferbar ohne FrontplatteOptionen
Sonderwelle auf Anfrage
Kabelkonfektionierung
lieferbar ohne FrontplatteDatenblatt 42PM Smooth
STEP-Files senden wir gerne auf Anfrage zu.
Please select a Dropfiles content to activate the previewDownload Gesamtkatalog
| Motor-Type Spindel max 260mm | Motor Typ captive 25mm Hub | Motor-Typ non-captive | Volt (V) | Strom (A) | Pitch Spindel (mm) | Auflösung/Step (mm) | Linear Kraft @100pps (N) | Ohm (Ω) |
|---|---|---|---|---|---|---|---|---|
| 42PM401B-108N | 42PM401B-D1 | 42PM401B-T1 | 5 | 1 | 0.635 | 0.0132 | 136 | 5 |
| 42PM403B-108N | 42PM403B-D1 | 42PM403B-T1 | 5 | 1 | 1.2192 | 0.0254 | 105 | 5 |
| 42PM404B-108N | 42PM404B-D1 | 42PM404B-T1 | 5 | 1 | 2.4384 | 0.0508 | 35 | 5 |
| 42PM406B-108N | 42PM406B-D1 | 42PM406B-T1 | 5 | 1 | 4.8768 | 0.1016 | 55.6 | 5 |
| 42PM411B-108N | 42PM411B-D1 | 42PM411B-T1 | 12 | 0.42 | 0.635 | 0.0132 | 80 | 28.8 |
| 42PM413B-108N | 42PM413B-D1 | 42PM413B-T1 | 12 | 0.42 | 1.2192 | 0.0254 | 100 | 28.8 |
| 42PM414B-108N | 42PM414B-D1 | 42PM414B-T1 | 12 | 0.42 | 2.4384 | 0.0508 | 72.3 | 28.8 |
| 42PM416B-108N | 42PM416B-D1 | 42PM416B-T1 | 12 | 0.42 | 4.8768 | 0.1016 | 50 | 28.8 |
✅ Frage: Was ist die richtige Bezeichnung für den Antrieb und wofür steht DLA?
✅ Antwort: Die korrekte Bezeichnung lautet DLA – Digitaler Linearaktuator. Häufig wird fälschlicherweise von einem „Linearmotor“ gesprochen. Dieser Begriff ist jedoch technisch nicht korrekt: Ein klassischer Linearmotor erzeugt eine direkte lineare Bewegung durch elektromagnetische Felder – vergleichbar mit einem entfalteten Drehstrommotor, bei dem ein Läufer entlang eines Magnetfeldes verläuft.
Beim DLA hingegen wird die rotatorische Bewegung eines Schrittmotors über eine Spindelmechanik in eine lineare Bewegung umgesetzt. Es handelt sich also nicht um eine direkte lineare Kraftentwicklung durch Magnetfelder, sondern um eine präzise Umwandlung von Drehbewegung in Vorschub.
Das „digitale“ im Namen erklärt sich dadurch, dass der Vorschub der Spindel schrittweise erfolgt: Mit jedem einzelnen Schritt des Motors wird die Spindel um einen definierten Betrag bewegt. Diese quantisierte Bewegung erlaubt es, die lineare Positionierung sehr einfach digital über Steuerimpulse (0/1-Signale) anzusprechen und mit hoher Genauigkeit zu wiederholen.
✅ Antwort: Die korrekte Bezeichnung lautet DLA – Digitaler Linearaktuator. Häufig wird fälschlicherweise von einem „Linearmotor“ gesprochen. Dieser Begriff ist jedoch technisch nicht korrekt: Ein klassischer Linearmotor erzeugt eine direkte lineare Bewegung durch elektromagnetische Felder – vergleichbar mit einem entfalteten Drehstrommotor, bei dem ein Läufer entlang eines Magnetfeldes verläuft.
Beim DLA hingegen wird die rotatorische Bewegung eines Schrittmotors über eine Spindelmechanik in eine lineare Bewegung umgesetzt. Es handelt sich also nicht um eine direkte lineare Kraftentwicklung durch Magnetfelder, sondern um eine präzise Umwandlung von Drehbewegung in Vorschub.
Das „digitale“ im Namen erklärt sich dadurch, dass der Vorschub der Spindel schrittweise erfolgt: Mit jedem einzelnen Schritt des Motors wird die Spindel um einen definierten Betrag bewegt. Diese quantisierte Bewegung erlaubt es, die lineare Positionierung sehr einfach digital über Steuerimpulse (0/1-Signale) anzusprechen und mit hoher Genauigkeit zu wiederholen.






