
SMOOTH 20PM DLA
PM-Linearaktuator Ø 20 mm
kleine Baugröße - captive - non-captive - ext. Mutter
mit Kugellager - verschiedene Bauformen
Auflösung 0.0254 - 0.0417 - 0.508 - 0.1016 mm / Schritt
20PM Linearaktuator - flexibel - preisgünstig - viele Bauformen
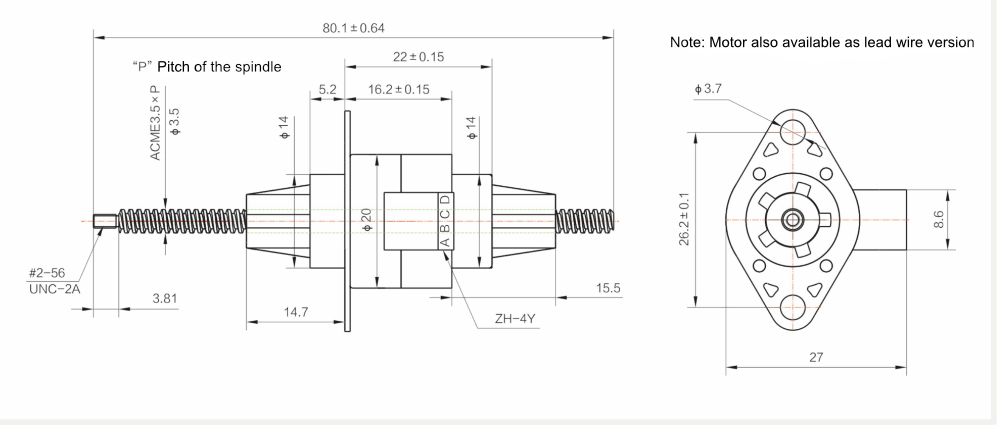
Bauform
Bauform
elektrische Daten
PM-Schrittmotor 18° Bipolar
20 / 115 Ohm bipolare Wicklung
100 / 250mA Phasenstrom
Low Current Version
elektrische Daten
PM-Schrittmotor 18° Bipolar
20 / 115 Ohm bipolare Wicklung
100 / 250mA Phasenstrom
Low Current Version
mechanische Daten
Auflösung 0.0254 - 0.1016 / Schritt
Hub captive 15 / 23mm
max. Linearforce 31 N
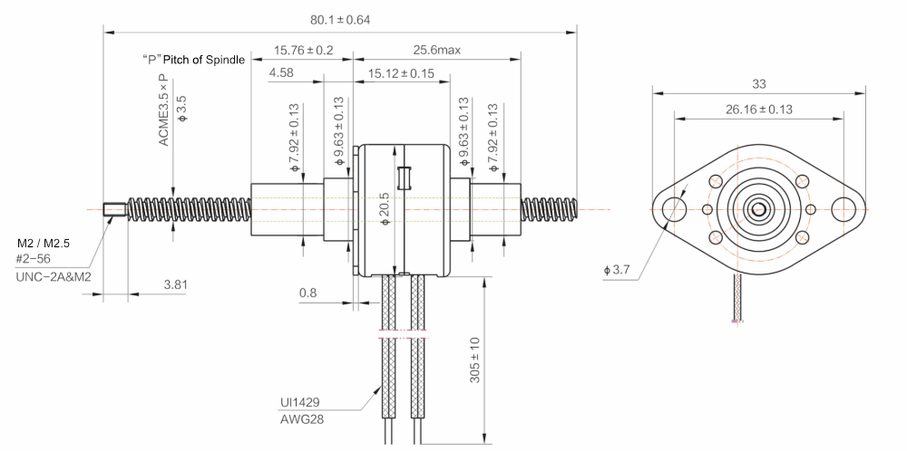
mechanische Daten
Auflösung 0.0254 - 0.1016 / Schritt
Hub captive 15 / 23mm
max. Linearforce 31 N
Optionen
Sonderwelle auf Anfrage
Kabelkonfektionierung
lieferbar ohne FrontplatteOptionen
Sonderwelle auf Anfrage
Kabelkonfektionierung
lieferbar ohne FrontplatteDatenblatt 15PM Smooth
STEP-Fille senden wir gerne auf Anfarge zu
Please select a Dropfiles content to activate the previewDownload Gesamtkatalog
Verstärkte Version des 20PM von SMOOTH
Motor mit größeren Kugellagern. Erhältlich mit Stecker oder mit Kabel. Spezielle Anforderungen für Ihre Anwendung? Sprechen sie uns an: GAPDRIVES ... from concept to integration
| Motor-Type Spindel max 160mm | Motor Typ captive 15mm Hub | Motor Typ captive 23mm Hub | Motor-Typ non-captive | Volt (V) | Strom (mA) | Pitch Spindel (mm) | Auflösung/Step (mm) | Linear Kraft @100pps (N) | Ohm (Ω) |
|---|---|---|---|---|---|---|---|---|---|
| 20PM501-80N | 20PM501-D15 | 20PM501-D23 | 20PM501-T1 | 5 | 250 | 0,6096 | 0,0254 | 31 | 20 |
| 20PM502-80N | 20PM502-D15 | 20PM502-D23 | 20PM502-T1 | 5 | 250 | 1 | 0,0417 | 22 | 20 |
| 20PM503-80N | 20PM503-D15 | 20PM503-D23 | 20PM503-T1 | 5 | 250 | 1.2192 | 0.0508 | 19 | 20 |
| 20PM504-80N | 20PM504-D15 | 20PM504-D23 | 20PM504-T1 | 5 | 250 | 2.4384 | 0.1016 | 10 | 20 |
| 20PM511-80N | 20PM511-D15 | 20PM511-D23 | 20PM511-T1 | 12 | 100 | 0.6096 | 0.0254 | 31 | 115 |
| 20PM512-80N | 20PM512-D15 | 20PM512-D23 | 20PM512-T1 | 12 | 100 | 1 | 0.0417 | 22 | 115 |
| 20PM513-80N | 20PM513-D15 | 20PM513-D23 | 20PM513-T1 | 12 | 100 | 1.2192 | 0.0508 | 19 | 115 |
| 20PM514-80N | 20PM514-D15 | 20PM514-D23 | 20PM514-T1 | 12 | 100 | 2.4384 | 0.1016 | 10 | 115 |
| 20PM101-80N | 20PM101-D15 | 20PM101-D23 | 20PM101-T1 | 5 | 250 | 0.6096 | 0.0254 | 30 | 18 |
| 20PM102-80N | 20PM102-D15 | 20PM102-D23 | 20PM102-T1 | 5 | 250 | 1 | 0.0417 | 24 | 18 |
| 20PM103-80N | 20PM103-D15 | 20PM103-D23 | 20PM103-T1 | 5 | 250 | 1.2192 | 0.0508 | 20 | 18 |
| 20PM104-80N | 20PM104-D15 | 20PM104-D23 | 20PM104-T1 | 5 | 250 | 2.4384 | 0.1016 | 11 | 18 |
| 20PM111-80N | 20PM111-D15 | 20PM111-D23 | 20PM111-T1 | 12 | 160 | 0.6096 | 0.0254 | 30 | 75 |
| 20PM112-80N | 20PM112-D15 | 20PM112-D23 | 20PM112-T1 | 12 | 160 | 1 | 0.0417 | 24 | 75 |
| 20PM113-80N | 20PM113-D15 | 20PM113-D23 | 20PM113-T1 | 12 | 160 | 1.2192 | 0.0508 | 20 | 75 |
| 20PM114-80N | 20PM114-D15 | 20PM114-D23 | 20PM114-T1 | 12 | 160 | 2.4384 | 0.1016 | 11 | 75 |
✅ Frage: Was ist die richtige Bezeichnung für den Antrieb und wofür steht DLA?
✅ Antwort: Die korrekte Bezeichnung lautet DLA – Digitaler Linearaktuator. Häufig wird fälschlicherweise von einem „Linearmotor“ gesprochen. Dieser Begriff ist jedoch technisch nicht korrekt: Ein klassischer Linearmotor erzeugt eine direkte lineare Bewegung durch elektromagnetische Felder – vergleichbar mit einem entfalteten Drehstrommotor, bei dem ein Läufer entlang eines Magnetfeldes verläuft.
Beim DLA hingegen wird die rotatorische Bewegung eines Schrittmotors über eine Spindelmechanik in eine lineare Bewegung umgesetzt. Es handelt sich also nicht um eine direkte lineare Kraftentwicklung durch Magnetfelder, sondern um eine präzise Umwandlung von Drehbewegung in Vorschub.
Das „digitale“ im Namen erklärt sich dadurch, dass der Vorschub der Spindel schrittweise erfolgt: Mit jedem einzelnen Schritt des Motors wird die Spindel um einen definierten Betrag bewegt. Diese quantisierte Bewegung erlaubt es, die lineare Positionierung sehr einfach digital über Steuerimpulse (0/1-Signale) anzusprechen und mit hoher Genauigkeit zu wiederholen.
✅ Antwort: Die korrekte Bezeichnung lautet DLA – Digitaler Linearaktuator. Häufig wird fälschlicherweise von einem „Linearmotor“ gesprochen. Dieser Begriff ist jedoch technisch nicht korrekt: Ein klassischer Linearmotor erzeugt eine direkte lineare Bewegung durch elektromagnetische Felder – vergleichbar mit einem entfalteten Drehstrommotor, bei dem ein Läufer entlang eines Magnetfeldes verläuft.
Beim DLA hingegen wird die rotatorische Bewegung eines Schrittmotors über eine Spindelmechanik in eine lineare Bewegung umgesetzt. Es handelt sich also nicht um eine direkte lineare Kraftentwicklung durch Magnetfelder, sondern um eine präzise Umwandlung von Drehbewegung in Vorschub.
Das „digitale“ im Namen erklärt sich dadurch, dass der Vorschub der Spindel schrittweise erfolgt: Mit jedem einzelnen Schritt des Motors wird die Spindel um einen definierten Betrag bewegt. Diese quantisierte Bewegung erlaubt es, die lineare Positionierung sehr einfach digital über Steuerimpulse (0/1-Signale) anzusprechen und mit hoher Genauigkeit zu wiederholen.








